< Previous Chiaravalli Gearboxes and Motors|Products index|Next Chiaravalli Gearboxes and Motors >
E
FA |
|||||
PAM IEC |
P |
DE8 |
b |
t |
|
160B5 |
350 |
42 |
12 |
45.3 |
|
132B5 |
300 |
38 |
10 |
41.3 |
|
112B5 |
250 |
28 |
8 |
31.3 |
|
100B5 |
250 |
28 |
8 |
31.3 |
|


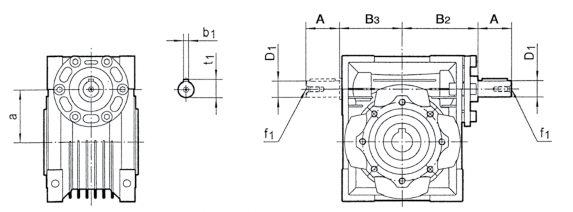
CHMR
CHMR |
030 |
040 |
050 |
063 |
075 |
090 |
110 |
130 |
150 |
A |
20 |
23 |
30 |
40 |
50 |
50 |
60 |
80 |
80 |
D1 j6 |
9 |
11 |
14 |
19 |
24 |
24 |
28 |
30 |
35 |
B2 |
51 |
60 |
74 |
90 |
105 |
125 |
142 |
162 |
195 |
B3 |
45 |
53 |
64 |
75 |
90 |
108. |
135 |
155 |
175 |
a |
30 |
40 |
50 |
63 |
75 |
90 |
110 |
130 |
150 |
b1 |
3 |
4 |
5 |
6 |
8 |
8 |
8 |
8 |
10 |
f1 |
- |
- |
M6 |
M6 |
M8 |
M8 |
M10 |
M10 |
M12 |
t1 |
10.2 |
12.5 |
16 |
21.5 |
27 |
27 |
31 |
33 |
38 |

41
For the missing dimensions, please refer to the CHM correspondent
CHMR
Quantity, availability and prices with Chiaravalli B2B
DESIGNATION CHPC/CHM - CHME
TYPE |
SIZE |
i = |
M.M.F. |
山。pos |
|||||
CHPC |
63 |
3 |
63 |
B5 |
If s |
upplied couple |
d with CHM or |
CHME types sp |
ecify |
71 |
3 |
71 |
B5 |
the |
position of the |
se, when the p |
re-stage modul |
e |
|
80 |
3 |
80 |
B5 |
is s |
upplied by itsel |
f it is prepared |
for |
||
90 |
2.45 |
90 |
B5 |
uni |
versal assembl |
||||



ORDER EXAMPLE FOR A CHPC COUPLED TO A CHM OR CHME GEAR
![]()
采集90 CHM 110 i = 245 (2.45x100) M.M.F. 90B5 POS. B3
42
If the motor is also required, please specify: Size es. 90 L4
Power es. Kw 1.5
Poles es. 4
CHPC/CHM - WORM GEAR WITH PRE-STAGE MODULE
Voltage es. V230/400 Frequency es. 50 Hz Flange es. B5
N.B. From size 25 to 63 the gears are always supplied in the Universal position and can therefore be mounted in any position, from size 75 to size 130 if the position required differs from B3 it must be specified.
In particular, in the event that a gear in position B3 is to be mounted in positions V5 or V6, the bearing positioned in the upper side must be lubricated using suitable grease that ensures proper lubrication.
We have tested Tecnolubeseal POLYMER 400/2 grease.
Z |
Z1 |
|
CHPC 63 |
11/140 |
11/105 |
CHPC 71 |
14/160 |
14/120 |
CHPC 80 |
19/200 |
19/160 |
CHPC 90 |
24/200 |
24/160 |
Z1
Z
Attenzione:The gearbox connected with the pre-stage must have input dimension Z1





















